3-Wege Transmission-Line (und MK-2)
© 2010 by not0815
Bezahlbare High-End-Lautsprecher - Die Alternative für Menschen mit hohen musikalischen Ansprüchen
Die ist eine hochwertige klassische
3-Wege Hifibox mit einer Transmission-Line-Schallführung zur wirkungsvollen Unterstützung
der Bass- und Tiefbasswiedergabe. Die Basswiedergabe ist TML-typisch dabei jedoch sehr dynamisch
und sehr tiefreichend. Die untere Grenzfrequenz (-3db) liegt bei sensationellen 28 Hz.
Nicht nur die Tieftonwiedergabe zeigt höchstes klangliches Niveau. Diese Box zeichnen sich
insgesamt durch ein sehr neutrales, natürliches
und dynamisches Klangbild aus. Die schlanke Bauform
und die excelente Abstimmung und Auslegung der
Frequenzweiche verhilft der Box zu einer
ungeahnten Räumlichkeit und fast perfekten absolut detailgetreue klangliche Darstellung.
Die ist uneingeschränkt in die obere
Spitzenklasse der Lautsprecher einzustufen und braucht auch Fertigboxen der 3.000,- EUR Klasse
nicht zu fürchten.
|
Als Tieftöner kommt ein 22-Zentimeter Chassis zum Einsatz. Dieses Maß
gestattet einerseits noch ein recht wohnraumfreundliches Gehäuse und garantiert
anderseits aber schon eine sehr leistungsfähige Tieftonwiedrgabe.
Die Auswahl für die
fiel auf den relativ preiswerten aber dennoch qualitativ recht hochwertigen
Westra Lautsprecher vom Typ
KW-200-1398-8.
Dieses Chassis ist aufgrund der Antriebsdaten und Thiele-Small-Parameter (TSP)
sehr gut für einen Einsatz in Transmission-Line-Gehäusen geeignet.
Der in Deutschland als Gradient GCP-226 vertrieben
AVM ARM-226-07-8 kann als preiswerter Ersatztyp für den schwer zu beschaffenden
Westra KW-200-1398-8 eingesetzt werden. Als Ersatz für diesen Typen kann auch das inzwischen auch schon wieder überholte Nachfolgemodell, der Gradient W218-8 (altes Modell) genutzt werden.
Alternativ eignen sich ferner bei geringfügiger Anpassung der Weiche die etwas teueren dafür noch
etwas hochwertigeren
Peerless SLS 8W, Beyma 8-Woofer-P-V2 und Beyma 8BR40/N besonders gut. Sowohl der Peerless als auch der Beyma bringen gegenüber dem Westra
u.a. leichte Vorteile im Maximalpegel mit. Die Beyma 8-Woofer-P-V2 / Beyma 8BR40-N liegen auf gleichen klanglichen Niveau bietet zudem einen soliden Aluminium-Druckgusskorb.
Für den Mitteltonbereich der
kann aufgrund der nicht allzu großen Membrane des Tieftöner und seines recht
ausgedehnten Übertragungsbereich sehr gut ein kleinerer und damit "leichter, schneller" Mitteltöner
gewählt werden. Der 4 Zoll Mitteltöner
Vifa M10MD-39-8 8Ohm
bietet bei einem guten Preisleistungsverhältnis eine hervorragende klangliche Qualität. Der nutzbare
Übertragungsbereicht reicht von ca. 200 Hz bis über 5.000 Hz und dies bei sehr geringen Klirrwerten.
Das Abstrahl- und Rundverhalten ist zudem mustergültig und hinsichtlich Detailauflösung gibt es
wenige wirklich bessere Mitteltöner für den hier gegebenen Einsatzzweck.
Durch den Mitteltöner ist die Latte an die musikalischen Qualitäten des Hochtöners
recht hoch gelegt. Der
Vifa Dual-Ring-Radiator XT25BG60-04
*1) bietet sich mit seinem sehr guten Preisleistungsverhältnis als qualitativ gleichwertiger
Spielpartner für den Hochtonbereich der
gerade zu an.
Nahezu baugleich mit dem Vifa XT25BG60-04 und dem Scan-Speak R2604/833000 ist der von Vifa vormals
für den ehemaligen amerikanischen Hifi-Hersteller
Acoustic Research
gefertigte Dual-Ring-Radiator XT25BG51-04.
Beide Chassis haben den gleichen Antrieb mit Doppelmagneten und Koppelvolumen
sowie die gleiche Ring-Radiator-Membrane.
Der XT25BG51-04 unter scheidet sich vom XT25BG60-04 lediglich durch die
Frontplatte die eine Einprägung des Acoustic Research Kürzels und vier
anstatt fünf Montagepunkte aufweißt.
Zusätzlich wurde der XT25BG51-04 mit einem akustischen Streustern für eine
breitere Abstrahlung auch in den höchsten Frequenzbereichen ausgestattet. Elektrisch und
akustisch verhalten sich beide Chassis jedoch praktisch völlig identisch und können somit ohne
Änderung der Frequenzweiche wahlweise eingesetzt werden.
Der TML-Gehäuseaufbau ist sehr einfach; eigentlich eine
einfache Kiste (27,8 x 38,8 x 103,8 cm BxTxH), siehe
Plan. Die zweite Box ist spiegelbildlich aufzubauen.
Skizze zum Gehäuse der MK-2 mit geänderten Mitteltönergehäuse, siehe hier
Der nach zahlreichen Simulationen und praktischen Erprobungen gefundene konkrete Verlauf des
sich verjüngenden Querschnittes der Line und die Platzierung des Tieftöners auf etwa 1/3
Line-Länge sorgen für eine
optimale Anpassung des Tieftontreibers und somit für die recht lineare Wiedergabe bis in die tiefsten
Regionen des Musikgeschehens hinab.
Das TML-Gehäuse ist über die gesamte Länge mit ca. 65-70
Liter
Polyester Volumenvlies
(30mm stark 300g/m²) zu dämpfen. Im vorderen Bereich der Line unterhalb des Tieftöner
ist die Watte etwas fester zu einen sog. akustischen Sumpf zu stopfen.
Die erforderliche Dämpfung hängt auch recht stark vom Wiedergaberaum und Aufstellungsort ab.
Hier sollte jeder hinsichtlich der eigenen räumlichen Verhältnisse und seines Geschmacks
etwa experimentieren.
Der kleine Vifa Mittelöner wird in ein eigenes 0,5 Liter großes geschlossenes Gehäuse eingebaut. Hierzu eignet sich ein kleiner handelsüblicher Kunststoff-Blumemtopf (z.B. 10/5,5 cm x 11 cm) sehr gut, den man mit Kontaktkleber (z.b. Pattex) von hinten hinter die Mitteltöneröffnung auf die Schallwand klebt. Das Mitteltönergehäuse kann auch aus 8-10 Millimeter Spanplatte mit gleichem Volumen (9 x9 x 6 cm Innenmaß) gefertigt werden. Das fertige Mitteltönergehäuse ist halbvoll und locker mit Polyester Volumenwatte (Teddy- bzw. Kissenwatte) zu füllen.
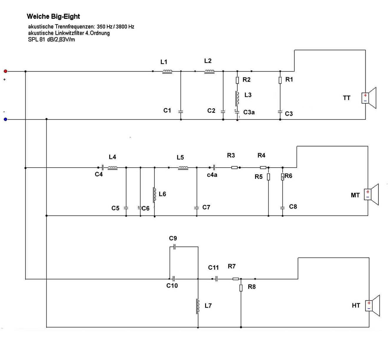
Das Herzstück einer jeden passiven 3-Wege-Lautsprecherbox ist zwangsläufig die Frequenzweiche.
Auch die besten Chassis können immer nur das Wiedergeben was ihnen von der Frequenzweiche
angeboten wird. Mit der "Berechnung" von passiven Frequenzweichen ist es jedoch so eine Sache.
Eine einfache Berechnung einer Weiche, die auch in der Praxis brauchbare akustische
Ergebnisse liefert, gibt es nicht! Die Standardformeln gehen realitätsfern von
einer konstanten Impedanz und einem linearen Pegel- und Phasenfrequenzgang des
Chassis aus. In der Praxis haben aber alle Lautsprecher-Chassis ein mehr oder
weniger komplexes Phasen- und Amplitudenverhalten und zwar sowohl in
elektrischer als auch akustischer Hinsicht. Die Entwicklung brauchbarer
Frequenzweichen ist daher nur unter Einbeziehung der komplexen Impedanz und des
akustischen Pegel- und Phasenfrequenzganges möglich. Ohne Messungen der Lautsprecherchassis
und speziellen Computerprogrammen lässt sich eine Weiche nur nach dem Prinzip
"Versuch und Irrtum" entwickeln.
Am Beispiel der
habe ich einmal exemplarisch die Entwicklung einer optimalen individuell angepassten passiven Frequenzweiche beschrieben.
Im Ergebnis ergab sich die folgende Frequenweiche für die
Der Gesamtfrequenzgang der Box (≥100 Hz ohne TML-Port) als auch der der Einzelzweige zeigen mit der
optimierten Weiche einen sehr linearen Verlauf
und bieten damit eine gute Grundlage für eine sehr hochwertige Wiedergabe.

Frequenzgang (≥100 Hz ohne TML-Port) mit optimierter Frequenzweiche

Impedanzgang mit optimierter Frequenzweiche
Der Nachfeldfrequenzgang verdeutlicht die sehr tief reichende Bandbreite.

Nanfeldfrequenzgang ( <100 Hz) mit optimierter Frequenzweiche
Die Qualität der Weichenbauteile sollte immer
in einem vernünftigen Verhältnis zur Qualität und zum Preis der verwendeten Chassis liegen, siehe auch
Kleine Bauteilkunde.
Die klanglichen Auswirkungen von Kondensatoren unterschiedlicher Bauarten in Frequenzweichen
werden oft erheblich überschätzt. Die klanglichen Vorzüge sehr teurer Bauteile liegen meist
im Voodoo und die zum Teil extremen Mehrkosten lassen sich oft nur aus Sicht der
Bauteilverkäufer rechtfertigen. Für die können im Basszweig ohne klanglichen
Einbußen durchaus preiswerte bipolare glatte Elkos für alle Kondensatoren verwendet werden.
Im Mittel- und Hochtonzweig ist es sowohl klanglich gerechtfertig als auch preislich vernünftig MKT
Kondensatoren einzusetzen. MKP Kondensatoren bringen nach meiner Meinung nur im Hochtonzweig
ggf. geringste hörbare klangliche Vorteile, da die Mehrkosten für MKP anstatt MKT
Kondensatoren im Hochtonzweig aufgrund der recht kleinen Kapazitätswerte recht gering sind,
kann man um auch das hifidele Gewissen zu beruhigen durchaus MKPs verwenden. Aus Gründen der Betriebssicherheit sollten alle Kondensatoren
eine Spannungsfestigkeit von ca. 35/40 VAC oder höher aufweisen. Die Spulen der Frequenzweichen
sollten keinen wesentlich höheren Verlustwiderstand als im Schaltbild angegeben aufweisen.
Spulen mit geringeren Verlustwiderstand bringen jedoch auch keinen klanglichen Vorteil, im Gegenteil
wird bei erheblicher Unterschreitung der angegebenen Verlustwiderstände der Spulen im
Basszweig ein leichter Verlust der Tiefbasswiedergabe und eine leichte Anhebung
des Oberbassspegels und damit eine Änderung der tonalen Balance eintreten. Abweichungen von
ca. +/- 20% vom angegebenen Verlustwiderstandswert sind jedoch in der Regel völlig vernachlässigbar,
da kaum oder gar nicht hörbar. Bezüglich der Belastbarkeit reichen im Hochtonzweig Luftspulen
mit ca. 0,7 mm Drahtdurchmesser und im Mitteltonzweig mit 1 mm Drahtdurchmesser völlig aus.
Als Tiefpassdrosseln im Basszweig eignen sich am besten Ferritrollkernspulen mit ca. 1 mm
Drahtdurchmesser (z.B. IT HQ43/6.8/095
und HQ43/3.9/095).
Als Spule für den RLC-Kreis sind durchaus auch preiswerte sog. Entzerrerspulen
(z.B.
CO55/300/060) geeignet.
Der Verlustwiderstand dieser Spule und der Serienwiderstand des Saugkreises müssen hier in der
Weiche zusammen einen Wert von ca. 8,0 bis 9,0 Ohm aufweisen. Wieviel hiervon auf den
Verlustwiderstand der Spule entfällt ist egal, lediglich die Belastbarkeit der Spule und des
Widerstandes sollte ausreichend hoch (ca. 30 Watt) gewählt werden.
Update MK-2
Da der Westra Tieftöner und der Vifa Mitteltöner zwischenzeitlich schwer bis kaum noch zu beschaffen sind, war es aufgrund der viele Nachfragen an der Zeit, eine neue Version der aufzulegen. Wie bereits oben erwähnt passen der von mir bevorzugte
Peerless SLS 8W sowie der Beyma 8-Woofer-P-V2 sehr gut als Alternativen im Tieftonzweig und für die Mitteltonabteilung bietet sich der Seas MCA 12 RC oder besonders der Monacor MSH 116/4 an. Die Positionen von Mittel- und Tieftöner auf der Schallwand und die Weiche waren nur geringfügig zur Version MK-2 zu modifizieren.
Bestückungsvarianten der MK-2
Da Klangbeschreibungen meiner Entwicklung stets vom Stolz des Erbauers getragen sein könnten,
zitiere ich lieber die Meinungen anderer Hifi-Fans. Ein Mitglid der Hifi-Selbstbaugruppe Berlin und
Hörer der
meinte zu dieser Box:
"Die Neutralität, Ausgewogenheit und der extrem tiefe,
vor allem druckvolle, schnelle und trockene Bass hat mich beeindruckt."
Dem ist wohl nichts hinzuzufügen. Weitere User Kommentare...
Baumappe
-MK2 Baumappe
Kosten pro Box:
ab ca. 260,- EUR , MK-2 ab ca. 280,- EUR (Stand 2022)
-
Chassis (Empfehlung)
TT:
-
Westra KW-200-1398-8 (Produktion ausgelaufen)
-
Gradient W218-8 (altes Modell) (baugl. GCP 226) ca. 30,- EUR (Produktion ausgelaufen)
-
Peerless SLS 8W (SLS 8-39/08, 830667) ca. 75,- EUR
-
Beyma 8-Woofer-P-V2 ca. 60,- EUR
-
Beyma 8BR40/N ca. 80,- EUR
-
MT:
Vifa M10MD-39,
Infos zum Vifa M10MD-39 im WWW
-
oder
Seas MCA 12 RC ca. 60,- EUR
-
oder
Monacor MSH-116/4
ca. 50,- EUR
-
HT:
Vifa XT25BG60-04 ca. 40,- EUR
Anm. 1) oder
Vifa XT-25BG51-04 oder Scan-Speak R2604/833000 ca. 60,- EUR
-
Weiche ab ca. 120,- EUR
-
Dämpfungsmaterial und Zubehör ab ca. 20,- EUR
-
Holz ~1,7 m² 19mm MDF- oder Spanplatte (roh), Leim etc. ab ca. 20,- EUR
Anmerkungen:
Erstveröffentlichung September 2010
Stand: 02.10.2025
User Kommentare
Weitere Transmission-Line-Boxen
|
Boxenpaar
rechte Box
Bestückung rechte Box
Anschluss Rückseite
Rohbau m. freiliegender Weiche

Bauplan als PDF
Weichenschaltplan (MK I) PDF
Weiche
Boxenpaar
MK-2
MK-2
Weiche MK-2 (PDF)
Nachbau MK-2
noch eine MK-2
|